Полумуфта N-EUPEX 280 под расточку часть 1 dmax=110 мм, EMT
Арт. NEUPA2801EMT
Характеристики
B1, мм
—
110
D1, мм
—
180
Посадка на вал
—
под расточку
Тип муфты
—
N-EUPEX 280
Максимальный диаметр отверстия, dmax, мм
—
110
172 859 руб./шт
Нашли дешевле?
Гарантия производителя
Цена действительна при наличии товара на складе.
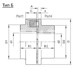
Полумуфта под расточку N-EUPEX 280 часть 1, соединительная, максимальный диаметр отверстия - 110 мм. Максимальная скорость вращения - 2450 об/мин. Номинальный крутящий момент - 3900 Н·м.
B1, мм
110
D1, мм
180
Посадка на вал
под расточку
Тип муфты
N-EUPEX 280
Максимальный диаметр отверстия, dmax, мм
110
D, мм
280
e, мм
6
Скорость вращения, max
2450
C, мм
65
Крутящий момент, TK, Nm
3900
Производитель
EMT
Материал
Чугун

