Полумуфта N-EUPEX 280 под расточку часть 4 dmax=110 мм, EMT
Арт. NEUPA2804EMT
Характеристики
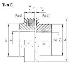
A, мм
—
42
Посадка на вал
—
под расточку
Тип муфты
—
N-EUPEX 280
Максимальный диаметр отверстия, dmax, мм
—
110
D, мм
—
280
192 395 руб./шт
Нашли дешевле?
Гарантия производителя
Цена действительна при наличии товара на складе.
Полумуфта под расточку N-EUPEX 280 часть 4, соединительная, максимальный диаметр отверстия - 110 мм. Максимальная скорость вращения - 2450 об/мин. Номинальный крутящий момент - 3900 Н·м.
A, мм
42
Посадка на вал
под расточку
Тип муфты
N-EUPEX 280
Максимальный диаметр отверстия, dmax, мм
110
D, мм
280
e, мм
6
B2, мм
110
D2, мм
180
Скорость вращения, max
2450
Крутящий момент, TK, Nm
3900
Производитель
EMT
Материал
Чугун

