Полумуфта GS14 безлюфтовая, с готовым отверстием d=6 мм, шпон паз 2х1мм, EMT
Арт. GESM14F6C
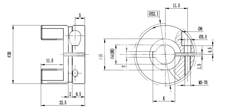
Характеристики
Крутящий момент максимальный, TK max, Nm
—
32
A, мм
—
30
Посадка на вал
—
Со шпонкой
Тип муфты
—
GS 14
Ширина полумуфты, C, мм
—
11
825 руб./шт
Нашли дешевле?
Гарантия производителя
Цена действительна при наличии товара на складе.
Крутящий момент максимальный, TK max, Nm
32
A, мм
30
Посадка на вал
Со шпонкой
Тип муфты
GS 14
Ширина полумуфты, C, мм
11
E min, мм
32,2
G, мм
10,5
S, мм
1,5
P, мм
2
Тип болта, мм
M3
T, мм
6
M, мм
13
Момент затяжки, Nm
1,4
Скорость вращения, max
19000
Диаметр отверстия, D1, мм
6
Длина муфты в сборе, L, мм
35
Крутящий момент, TK, Nm
16
Производитель
EMT
Материал
Алюминий
Вес, кг
0,020

