Полумуфта GS28 безлюфтовая, с готовым отверстием d=32 мм, шпон паз 10х3,3мм, EMT
Арт. GESM28/38F32C
Характеристики
Крутящий момент максимальный, TK max, Nm
—
400
A, мм
—
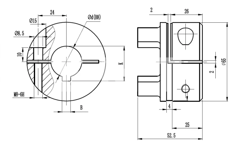
65
Посадка на вал
—
Со шпонкой
Тип муфты
—
GS 28
Ширина полумуфты, C, мм
—
35
3 492 руб./шт
Нашли дешевле?
Гарантия производителя
Цена действительна при наличии товара на складе.
Крутящий момент максимальный, TK max, Nm
400
A, мм
65
Посадка на вал
Со шпонкой
Тип муфты
GS 28
Ширина полумуфты, C, мм
35
E min, мм
72,6
G, мм
30
S, мм
2,5
P, мм
5,2
Тип болта, мм
M8
T, мм
14
M, мм
20
Момент затяжки, Nm
25
Скорость вращения, max
8500
Диаметр отверстия, D1, мм
32
Длина муфты в сборе, L, мм
90
Крутящий момент, TK, Nm
200
Производитель
EMT
Материал
Алюминий
Вес, кг
0,24

