Муфта цепная KC3012, EMT
Арт. KC3012EMT
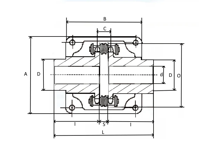
Характеристики
Тип цепи
—
06В-2
A, мм
—
69
D, мм
—
26
L, мм
—
64,8
S, мм
—
5,2
2 135 руб./шт
Нашли дешевле?
Гарантия производителя
Цена действительна при наличии товара на складе.
Муфта цепная KC3012 производства EMT — это стандартизированный элемент привода, предназначенный для соединения соосных валов и передачи крутящего момента в условиях умеренных нагрузок. Конструкция муфты включает две стальные полумуфты со звездочками, роликовую цепь и разъемный защитный кожух, что обеспечивает эффективную компенсацию радиальных, угловых и осевых смещений валов. Ключевыми преимуществами модели KC3012 являются высокая ремонтопригодность, возможность быстрой замены цепи без демонтажа узла, а также защита от внешних загрязнений. Муфта применяется в общем машиностроении для приводов конвейерного оборудования, вентиляционных систем, насосов и легких станков, где требуется надежное и простое в обслуживании соединение.
Тип цепи
06В-2
A, мм
69
D, мм
26
L, мм
64,8
S, мм
5,2
B, мм
63
Диаметр чернового отверстия d, мм
12
O, мм
45
I, мм
29,8
Крутящий момент, Nm
150
C, мм
10,2
Максимальный диаметр отверстия, d, мм
16
Производитель
EMT
Материал
Муфта - Сталь C45, Корпус - Алюминий
Вес, кг
0,70

