Рычаг-натяжитель SE 15 (RE 20), EMT
Арт. SE15EMT
Характеристики
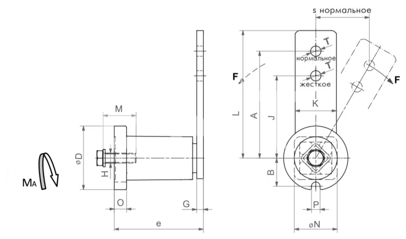
Тип
—
SE 15
A, мм
—
100
D, мм
—
45
L, мм
—
112,5
G, мм
—
5
3 050 руб./шт
Гарантия производителя
Цена действительна при наличии товара на складе.
Рычаг-натяжитель тип SE 15 (RE 20), бренда EMT, предназначено для регулировки и поддержания оптимального натяжения ленты транспортера. Это позволяет предотвратить проскальзывание, провисание и преждевременный износ ленты, обеспечивая бесперебойную работу конвейера. Натяжное устройство типа SE отличается высокой прочностью и надежностью благодаря использованию высококачественных материалов и эластомерной вставки, выполненной из высокоэластичного
натурального каучука, обладающего отличной памятью
формы. Оно обеспечивает плавную регулировку натяжения, что позволяет точно настроить работу конвейера под конкретные задачи. Конструкция устройства проста и удобна в обслуживании, что минимизирует время простоя оборудования. Рабочая температура данных устройств
находится в температурном диапазоне от -40 до 80 °C
натурального каучука, обладающего отличной памятью
формы. Оно обеспечивает плавную регулировку натяжения, что позволяет точно настроить работу конвейера под конкретные задачи. Конструкция устройства проста и удобна в обслуживании, что минимизирует время простоя оборудования. Рабочая температура данных устройств
находится в температурном диапазоне от -40 до 80 °C
Тип
SE 15
A, мм
100
D, мм
45
L, мм
112,5
G, мм
5
e, мм
64
K, мм
25
P,мм
8,5
B, мм
20,8
H, мм
M8
O, мм
8
T, мм
10,5
M, мм
25
J, мм
80
N, мм
30
Производитель
EMT
Материал
Сталь
Вес, кг
0,4

