Втулка зажимная BK 26 (RCK 26) 50x60 (KLFC050), EMT
Арт. BK026050060EMT
Характеристики
Тип
—
BK 26
D1, мм
—
75
B, мм
—
26
Тип болта, мм
—
M55x2
Давление на поверхность ступицы, N/мм2
—
137
1 569 руб./шт
Нашли дешевле?
Гарантия производителя
Цена действительна при наличии товара на складе.
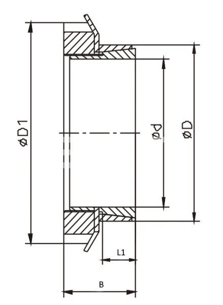
Втулка зажимная BK 26 50 x 60 (KLFC050), EMT применяется для монтажа звезд, шкивов, барабанов и других изделий на цилиндрический, бесшпоночный вал.
Тип
BK 26
D1, мм
75
B, мм
26
Тип болта, мм
M55x2
Давление на поверхность ступицы, N/мм2
137
Крутящий момент, Nm
697
Давление на поверхность вала, N/мм2
164
Момент затяжки, Nm
970
Длина втулки L1, мм
10
Нагрузка, KN
28
Размер, d x D, мм
50 x 60
Производитель
EMT
Материал
Сталь C45
Вес, кг
0,66

